-
ÅîÝ÷ïí ìÝëïò
Ï ëÝâçôá åßíáé ìüíï ãéá ôá ìðüéëåñ?
http://udravlikos.gr
-
ÓõíôïíéóôÞò
¸÷åé áíáêõêëïöïñßá ôï íïóïêïìåßï?Áí íáé, Ý÷åéò ôçí äõíáôüôçôá íá ìåôñÞóåéò ôçí ðáñï÷Þ ôçò êáé ôï ÄÔ ìåôáîý ðáñï÷Þò êáé åðéóôñïöÞò ôçò?
ÐÝñá áðü áõôÜ, îÝñåéò ôé åðéöÜíåéá åíáëëáêôþí Ý÷ïõí?Ìðïñåßò íá ìåôñÞóåéò ôá ýøç ôùí boiler åîùôåñéêÜ êáé ôçí äéÜìåôñï ôïõò êáèþò êáé ôá ýøç áðü ôï äÜðåäï ôçò ðáñï÷Þò/åðéóôñïöÞò ôïõ åíáëëÜêôç êáé ôçí äéáôïìÞ ôïõ?Åßíáé áðïóðþìåíïé Þ óôáèåñïß?(ÌÜëëïí åßíáé óôá 5-6m2 ç åðéöÜíåéá ôïõ åíáëëÜêôç)
Ðüóá KW åßíáé ï ëÝâçôáò?
Óå óôÜóéìï íåñü(÷ùñßò íá êéíåßôáé ìå áíáêõêëïöïñßá) ìå 5m2 åíáëëÜêôç êáé 40 çëéáêïýò óõëëÝêôåò (öáíôÜæïìáé ìå áîéïðñåðÝò n0,a1 & a2), ìå èåñìïêñáóßá ðåñéâÜëëïíôïò 10 âáèìïýò êåëóßïõ êáé ìÝóç èåñìïêñáóßá óõëëÝêôç 60 âáèìïýò êåëóßïõ, ìå óïýðåñ çëéïöÜíåéá (1000W/m2)ðáßñíåéò ôéò 38kWh óïõ óå Ýíá boiler (óõìðåñéëáìâÜíù êáé ëßãï áëáôÜêé óôçí óåñðáíôßíá áðü ôçí ðïëõ÷ñçóßá).

Óå ðáßñíåé äçëáäÞ íá æåóôáßíåéò ôï Ýíá êáé íá áíáêõêëïöïñåßò ìå áõôü óôï äéðëáíü boiler áí ôõ÷üí ÷ñåéáóôåß.

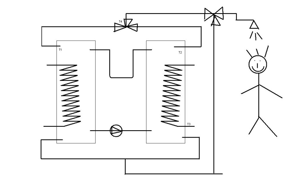
Äõóôõ÷þò ÷ôýðçóå ï äáßìïíáò ôùí ó÷åäéáóôéêþí ðñïãñáììÜôùí êáé áíáãêÜóôçêá íá ôï êÜíù óôï Paint. Ðëçñïöïñßåò ëÝíå ðùò áêüìá åßíáé êÜðïõ åêåß êáé æùãñáößæåé ðåñßåñãá ó÷Þìáôá ðáñåíï÷ëþíôáò óïâáñïýò ìç÷áíïëüãïõò íá êÜíïõí ôï Ýñãï ôïõò. Áí äåßôå êÜôé ðåñßåñãï ðåßôå ìïõ.
¸÷åéò ðñïöéë êáôáíÜëùóçò/çìÝñá?Ðüóá ëßôñá êáôáíáëþíïõí óå íåñü çìåñçóßùò?
-
ÅîÝ÷ïí ìÝëïò
-
ÍÝï ìÝëïò
¼ðùò öÜíçêå áðü ôçí áñ÷Þ ðñüêåéôáé ãéá áõôü ðïõ óõíÞèùò ëÝìå åãêáôÜóôáóç ìåãÜëçò ðáñï÷Þò (åðéâåâáéþèçêå êáé óôç óõíÝ÷åéá üôé åßíáé íïóïêïìåßï).
Óå ôÝôïéåò ðåñéðôþóåéò ç öéëïóïößá ó÷åäéáóìïý åßíáé ìÜëëïí óôç ëïãéêÞ ôçò óõíå÷ïýò êáôáíÜëùóçò êáé ëéãüôåñï óôçí ðáñáäïóéáêÞ, ïéêéáêÞ ëïãéêÞ ôïõ æåóôáßíù - áðïèçêåýù - êáôáíáëþíù.
Ãé áõôü êáé ðñüôåéíá ôç óõãêåêñéìÝíç ëýóç, üðïõ óå êáíïíéêÝò óõíèÞêåò ëåéôïõñãßáò (ðñáêôéêÜ óõíå÷åßò æÞôçóç ðáñï÷Þò)åêôåëåß óáöåßò êáé äéáêñéôÝò ëåéôïõñãßåò (ðñïèÝñìáíóç ðñþôï boiler - èÝñìáíóç áí áõôÞ ÷ñåéÜæåôáé óôï äåýôåñï).
Óôçí ðåñßðôùóç ðïõ äåí õðÜñ÷åé êáôáíÜëùóç ãéá ìéêñÜ ÷ñïíéêÜ äéáóôÞìáôá, óáöþò ç äéáóôñùìÜôùóç êáé ç áðïäïôéêÞ ëåéôïõñãßá ôïõ åíáëëÜêôç ãßíåôáé óôï ðñþôï boiler. Áí ãéá êÜðïéï ëüãï äåí õðÜñ÷åé êáôáíÜëùóç ãéá ìåãÜëï ÷ñïíéêü äéÜóôçìá ôüôå ç áíôëßá Ñ2 óå óõíäõáóìü ìå ôïõò áéóèçôÞñåò Ô5, Ô6 êáé ôïí êáôÜëëçëï ðñïãñáììáôéóìü ôïõ åëåãêôÞ 3, "îåöïñôþíåé" êáôÜ ðåñéüäïõò ôï äï÷åßï 1 þóôå íá óõíå÷ßóåé íá ëåéôïõñãåß áðïäïôéêÜ. Ìéá ëåéôïõñãßá ðñáêôéêÜ ðáñüìïéá ìå áõôÞ ðïõ õðÜñ÷åé óôï óýóôçìá ðïõ ðåñéãñÜöïõí ï mechatron êáé ï gregori.
¼óïí áöïñÜ ôç óõíôÞñçóç ôùí boiler (ðïõ åßíáé êáé ðïëý êáëÞ éäÝá)ìðïñåß íá ãßíåé êáé óå áõôü ôï óýóôçìá ìå ìéá ôñßïäç óôç ôñïöïäïóßá áðü ôï äßêôõï êáé ìéá äéïäç áíÜìåóá óôçí Ýîïäï ôïõ 1 êáé ôçí åßóïäï ôïõ 2. ¼ëá áõôÜ âÝâáéá ìå ôçí ðñïûðüèåóç üôé éó÷ýåé áõôü ðïõ ñþôçóå ï gregori, äçëáäÞ üôé ï ëÝâçôáò åßíáé áðïêëåéóôéêÜ óõíäåäåìÝíïò ìüíï ìå ôá boiler.
ÂÝâáéá üóá ëÝù åßíáé èåùñçôéêÜ êáé ç üðïéá åðéëïãÞ åîáñôÜôáé óå ìåãÜëï âáèìü áðü ôéò ðñáãìáôéêÝò áíÜãêåò êáé êáôáíáëþóåéò ôçò åãêáôÜóôáóçò, ôüóï üóï áöïñÜ ôç ãåùìåôñßá êõñßùò üìùò üóï áöïñÜ ôïí áñéèìü ôùí óõëëåêôþí.
-
ÅîÝ÷ïí ìÝëïò
Ößëå kpapaxr ãéá íá áðáíôÞóù åõèÝùò óôï åñþôçìÜ óïõ (êáé óôç óõíÝ÷åéá âëÝðïõìå ôï ðþò îåäéðëþíïõìå ôÝôïéïõ åßäïõò èÝìáôá), èá óïõ ðù üôé ïé ôñßïäåò âáëâßäåò äåí óõíäÝïíôáé Ýôóé üðùò ôéò Ý÷åéò ó÷åäéÜóåé ãé' áõôü ìðåñäåýåóáé ìå ôçí áíÜðïäç ñïÞ ðïõ áíáöÝñåéò.
Ç ôñßïäç âáëâßäá Ý÷åé ôçí ëïãéêÞ ðïõ Ý÷åé Ýíáò ìåôáãùãéêüò äéáêüðôçò üðïõ Ý÷åé ìßá common åðáöÞ êáé äýï åðáöÝò üðïõ ç ìßá åßíáé NC (normally closed) êáé ç Üëëç åßíáé ÍÏ (normally open). ¢ñá ôï íåñü åßôå Ýñ÷åôáé áðü ôïí ëÝâçôá åßôå áðü ôïõò óõëëÝêôåò óôï ßäéï óçìåßï ôçò óåñðáíôßíáò èá åéóÝëèåé áíÜëïãá ìå ôï ðïý «âëÝðåé» ôçí óôéãìÞ åêåßíç ç âáëâßäá. Óôéò ôñßïäåò ç common Ýßíáé ôï ìåóáßï Üíïéãìá. Ìðïñåßò íá âÜëåéò êáé ìßá ôñßïäç 2" áêüìá óôçí êåíôñéêÞ ãñáììÞ ìéáò êáé ôá 4000 ëßôñá óõíïëéêÜ èá áðáéôÞóïõí ôéò ðáñáêÜôù ñïÝò:
1. Áðü çëéáêïýò óõëëÝêôåò: 5 m³/h (áí Ý÷ïõí ôá «êüôóéá» íá ôïðïèåôÞóïõí 100 ô.ì. óõëëåêôéêÞò åðéöÜíåéáò), ïðüôå ç 3ïäç 2" ìå ôéò óõóôïëïäéáóôïëÝò ôçò æÞôçìá íá óïõ äþóåé ìßá áðþëåéá ôçò ôÜîçò ôùí 50 ÷éë.ÓÕ
2. Áðü ôïí ëÝâçôá: èÝëåéò ìßá ñïÞ ôï ðïëý 12 m³/h ïðüôå ç ôñßïäç 2" èá óïõ äþóåé êÜðïõ 300 ÷éëÓÕ áðþëåéá ðïõ èåùñåßôáé ìéêñÞ.
ÁëëÜ êáé ÷þñéá íá âÜëåéò äýï 1 1/4" ðÜëé èá êÜíåéò ôç äïõëåéÜ óïõ äß÷ùò ðñüâëçìá.
ÁõôÜ ãéá ôï åñþôçìÜ óïõ. åðåéäÞ üìùò ôï forum åßíáé ìéáò ìïñöÞò åêðáéäåõôÞñéï êáé ðïëëïß ðïõ èá äéáâÜóïõí áõôü ôï èÝìá èá Ý÷ïõí åýëïãåò áðïñßåò, Ý÷ù íá ñùôÞóù:
1. Ç óýíäåóç ôùí boilers óôç óåéñÜ ôá âÜæïõìå óå ðåñßðôùóç ðïõ äåí Ý÷ïõìå íåöñü íá âÜëïõìå 100 ô.ì. óõëëåêôéêÞò åðéöÜíåéáò êáé âÜëïõìå 50 ô.ì. ãéá ðáñÜäåéãìá Þ áêüìá ëéãüôåñï. Ôï îÝñåéò üôé óýíäåóç óôç óåéñÜ óçìáßíåé âçìáôéêÞ ëåéôïõñãßá; Äéüôé áí áöÞóåéò íá óïõ åéóÝñ÷åôáé ìüíéìá óôï 2° boiler íåñü áðü ôçí Ýîïäï ôïõ 1ïõ ôüôå ...ôçí Ýâáøåò! Ãéá íá ìç óõìâåß áõôü, áíáãêÜæåóáé íá Ý÷åéò óõíå÷þò ÏÍ ôïí ëÝâçôá ïðüôå ...÷Üèçêå ç ìðÜëëá! ÂçìáôéêÞ ëåéôïõñãßá óçìáßíåé áõôïìáôéóìüò ìåôáìïíôÝñíïò êáé âáñâÜôïò! Ðþò èá ôï ðåôý÷åéò;
2. Áðü ôçí Üëëç ìéáò êáé åßíáé íïóïêïìåßï, äåí ìðïñåßò íá ðáñáëëçëÞóåéò ôá boilers äéüôé äåí ìðïñåßò íá ðåñéìÝíåéò ôçí áñãÞ çëéáêÞ áðïññüöçóç. Ôé êÜíåéò ôüôå;
Èá èÝëáìå íá ìÜèïõìå ôï ðëÜíï ðïõ Ý÷åé ï ìç÷áíïëüãïò designer óôï ìõáëü ôïõ ãéá ôçí ðåñßðôùóç ôïõ íïóïêïìåßïõ. Èá åßíáé ãéá åìÜò Ýíá ðïëý åíéáöÝñïí èÝìá ãéá áíÜëõóç!
Õ.Ó.
¼óï Ýãñáöá ôï post áõôü Ýãñáöå êáé ï Tiemme. Ëåò êáé åßìáóôáí óõííåíïçìÝíïé´ãñÜöåé:
ÂÝâáéá üóá ëÝù åßíáé èåùñçôéêÜ êáé ç üðïéá åðéëïãÞ åîáñôÜôáé óå ìåãÜëï âáèìü áðü ôéò ðñáãìáôéêÝò áíÜãêåò êáé êáôáíáëþóåéò ôçò åãêáôÜóôáóçò, ôüóï üóï áöïñÜ ôç ãåùìåôñßá êõñßùò üìùò üóï áöïñÜ ôïí áñéèìü ôùí óõëëåêôþí.
Áðü êåé îåêéíÜåé ôï êïõâÜñé! Áñéèìüò óõëëåêôþí êáé ìÝóç ðñùéíÞ êáôáíÜëùóç íåñïý áðü 9:00 Ýùò 14:00. ÁõôÜ åßíáé áðáñáßôçôá äåäïìÝíá ãéá üëï ôï õðüëïéðï design õäñáõëéêü êáé áõôïìáôéóìïý.
Óôßãìá ÌáóôñïêáðåôÜíéïõ
-
ÓõíôïíéóôÞò
Ãñçãüñç,
ÊáëÜ ôï Ýðéáóåò..
Ìüíï ðïõ ÷ñåéÜæåôáé ç ôñßïäç óôá æåóôÜ ôùí boiler þóôå íá ìïõ áíïßãåé åÜí Ý÷ù íåñü æåóôüôåñï óôï boiler çëéáêþí, áëëéþò íá ðáßñíåé áðü áõôü ðïõ æåóôáßíåôáé ìå ôïí ëÝâçôá.
Áëëéþò áí Ý÷ù äéáöïñåôéêÝò èåñìïêñáóßåò óôá boiler, ôüôå êÜíù áíÜìåéîç óôçí êïéíÞ Ýîïäï ZNX.
-
ÍÝï ìÝëïò
Êáô' áñ÷Þí åõ÷áñéóôþ üëïõò ãéá ôéò áðáíôÞóåéò óáò.
Ôþñá üóïí áöïñÜ ôá äéÜöïñá åñùôÞìáôá ðïõ âÜëáôå åðéöõëÜóóïìáé ìÝ÷ñé ôçí ÔåôÜñôç ðïõ èá ôïõò åðéóêåöèþ íá ôá Ý÷ù üëá áðáíôçìÝíá êáé íá áíåâÜóù êáé öùôïãñáößåò.
Äéêáéþìáôá áðÜíôçóçò
- You may not post new threads
- ÄÅÍ Ý÷åôå ôï äéêáßùìá áðÜíôçóçò
- You may not post attachments
- ÄÅÍ ìðïñåßôå íá åðåîåñãáóôåéôå ôéò áðáíôçóåéò óáò
-
Êáíïíéóìüò ëåéôïõñãßáò