Σκετος ηλιακος βεβαια..
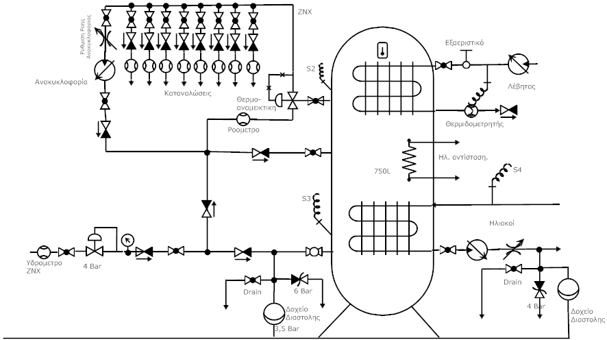
ΜΕ ηλεκτρικη αντισταση για τις σπανιες φορες που θα χρειαστει, και μια χειροκινητη τριοδο στην εισοδο του κολεκτερ ΖΝΧ.
Δεν συμφερει το αναμα του λεβητα μονο για ΖΝΧ σε καμμια περιπτωση
Την ανακυκλοφορια που δειχνεις στο σχεδιο ποιος την εβαλε στη κορυφη του boiler?
Οσο για το δευτερο σχεδιο, το ηλιακο κιτ δεν χρησιμοποιειται ετσι...
Burn baby, burn




Απάντηση σε αυτήν την απάντηση
)


